nefungují přední mlhovky

Odpovědět
Elessarr
Příspěvky: 102
Registrován: pon led 02, 2012 11:42
Bydliště: Ústí nad Labem
Kontaktovat uživatele:

nefungují přední mlhovky

Příspěvek od Elessarr » pát dub 21, 2017 17:00

Zdravím pánové,
Mám problém,že mi nefungují po stisku na přístrojovce spínače mlhovek světla. nejde tam proud.Zkoušel jsem zdali není prdlá pojistka... není, zkoušel jsem zdali do pojistky jde proud,nejde. Kde by mohla být chyba, ostatní spínače fungují v pořádku.
Díky za rady,

Uživatelský avatar
AnderN
Site Admin
Příspěvky: 6987
Registrován: pon zář 17, 2007 18:46
Bydliště: Brno, tel.: +420 725 378 817
Kontaktovat uživatele:

Re: nefungují přední mlhovky

Příspěvek od AnderN » pát dub 21, 2017 22:51

Spínač?
Obrázek
MG ZT CDTi @ 118 kW / 370 Nm - 2009-? :: 200.000 km @ Obrázek
Rover 25 18K4F / automat CVT - 2013-? :: 50.000 km @ Obrázek
Rover Mini Cooper - 2016-? :: 20.000 km @ Obrázek
Ex. Rover 620 SDi - 2004-2009 :: 100.000 km @ Obrázek

Elessarr
Příspěvky: 102
Registrován: pon led 02, 2012 11:42
Bydliště: Ústí nad Labem
Kontaktovat uživatele:

Re: nefungují přední mlhovky

Příspěvek od Elessarr » sob dub 22, 2017 10:07

Jakej spínač?

Uživatelský avatar
GeneHawkins
Příspěvky: 131
Registrován: pát úno 05, 2016 22:13

Re: nefungují přední mlhovky

Příspěvek od GeneHawkins » sob dub 22, 2017 15:34

Mlhovek.
MG-F

Elessarr
Příspěvky: 102
Registrován: pon led 02, 2012 11:42
Bydliště: Ústí nad Labem
Kontaktovat uživatele:

Re: nefungují přední mlhovky

Příspěvek od Elessarr » pát dub 28, 2017 10:55

Problém je,že nejde proud ani ve spínací skřínce,kde jsou pojistky.tak se ptám kde by mohl bejt ještě problém? Mohlo by to být relátkem?

Uživatelský avatar
GeneHawkins
Příspěvky: 131
Registrován: pát úno 05, 2016 22:13

Re: nefungují přední mlhovky

Příspěvek od GeneHawkins » pát dub 28, 2017 11:07

Počítám, že to bude asi u nějakého Rovera, že?
MG-F

Elessarr
Příspěvky: 102
Registrován: pon led 02, 2012 11:42
Bydliště: Ústí nad Labem
Kontaktovat uživatele:

Re: nefungují přední mlhovky

Příspěvek od Elessarr » pát dub 28, 2017 11:19

Ano je to rover 214i 55KW neboli 75 koníků

Uživatelský avatar
GeneHawkins
Příspěvky: 131
Registrován: pát úno 05, 2016 22:13

Re: nefungují přední mlhovky

Příspěvek od GeneHawkins » pát dub 28, 2017 11:59

To jsou domontovávané?
MG-F

Uživatelský avatar
Trunda
Site Admin
Příspěvky: 18152
Registrován: pon lis 12, 2007 9:33
Bydliště: Morava

Re: nefungují přední mlhovky

Příspěvek od Trunda » pát dub 28, 2017 12:07

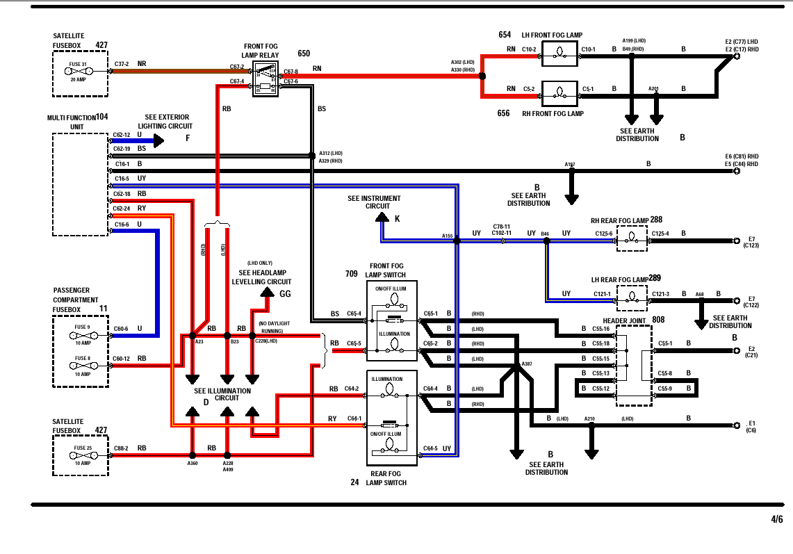
Celkem legrační diskuze :-)

Tohle asi pomůže, ne? ;-)
screen_2017-04-28_12-06_001.png
.... případně toto, protože od nějakého roku to bylo trošku jinak:
screen_2017-04-28_12-09_001.png
... I love K-SERIES ;-) ... 4 ... 6 cylinders.... it doesn't matter ;-)

Kupéčko - Rover 216 Coupe -> 218VVC, 1997 - Článek | Labuťka - Rover 416si Tourer, 1998 - Profil | ex MG ZT-T 190, 2002 - Článek | MG ZR 160, 2002 - Článek | Chrysler Pacifica 3.6l V6, 2017
Obrázek

Uživatelský avatar
GeneHawkins
Příspěvky: 131
Registrován: pát úno 05, 2016 22:13

Re: nefungují přední mlhovky

Příspěvek od GeneHawkins » pát dub 28, 2017 12:10

No, mělo by! msm:

Spínač spíná kostru.
MG-F

Elessarr
Příspěvky: 102
Registrován: pon led 02, 2012 11:42
Bydliště: Ústí nad Labem
Kontaktovat uživatele:

Re: nefungují přední mlhovky

Příspěvek od Elessarr » čtv kvě 04, 2017 15:52

Nejde ani podsvícení mlhovky ani mlhovky, pojistka č.8 a č.20 jsou OK a do konektoru neleze + . Zadní mlhovka podsvícení a mlhovka OK.
je tam někde problemovej konektor??? Měl jsem nějakej čas sundanej středovej panel a konektory volně.

Uživatelský avatar
Trunda
Site Admin
Příspěvky: 18152
Registrován: pon lis 12, 2007 9:33
Bydliště: Morava

Re: nefungují přední mlhovky

Příspěvek od Trunda » čtv kvě 04, 2017 17:00

Postup je hodně jednoduchý....
Koukni na schéma a voltmetrem měř napětí postupně od baterky, přes pojistky k danému spotřebiči - relé. Od relé přes spínač na kostru musíš prozváněčkou a nebo naopak nechat připojený plus voltmetru na napětí a půjdeš od ukostření přes spínač k relé.
Že nejde podsvícení tlačítek může být problém jen prasklých žároviček v tlačítkách - tzn. je potřeba opět měřit.

Jo a mimochodem jsou to pojistky 8 a 31 ;-)
... I love K-SERIES ;-) ... 4 ... 6 cylinders.... it doesn't matter ;-)

Kupéčko - Rover 216 Coupe -> 218VVC, 1997 - Článek | Labuťka - Rover 416si Tourer, 1998 - Profil | ex MG ZT-T 190, 2002 - Článek | MG ZR 160, 2002 - Článek | Chrysler Pacifica 3.6l V6, 2017
Obrázek

Odpovědět