Cestou domů z Českého lesa mi zůstalo dole stažené spolujezdcovo okno (naštěstí se to stalo až v neděli po návštěvě poslední pamětihodnosti cestou domů). Rozdělal jsem dveře a odzkoušel motorek a mechanismus stahování. Motorek je OK, mechanismus také. do motorku jdou dva dráty, které jsem přepinoval na konektoru tak abych mohl okno provizorně zavřít.
Ovládání nejde a ani od řidiče, konektor ve spolujezdcových dveřích jsem zkontroloval a prostříkl kontaktolem, až ted mi napadlo, jestli to není protažené až od řidiče, tak kdyby byl problém v konektoru u řidiče, tak ten jsem ještě neřešil.
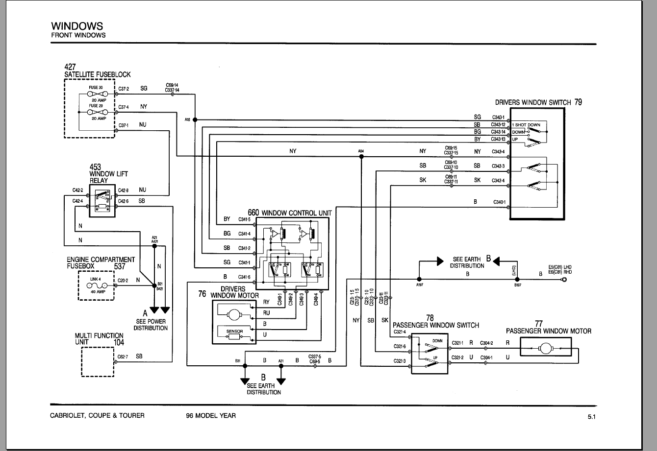
Nemáte s tím někdo nějakou zkušenost? Dají se někde najít schemata elektroinstalace?
Shodou okolností u druhého kupéčka po dlouhém stání v garáži jsem potřeboval popojet a ejhle ... nestahuje řidičova stahovačka (řekl bych, že to bude obdobný problém, jen opačný).
ROVER 220 Coupe Turbo, 1995 koupeno !!
Re: ROVER 220 Coupe Turbo, 1995 koupeno !!
Opel Astra F Caravan 1.6 / '96 /01.01 - /for work
75 2,0 V6 / sedan / '00 / Onnyyy /11.13 - /my car
420 SDi / sedan / '00 / Jane's /12.12 - /wife's & family
216 i / coupé / '98 / Luke /04.13 - /for fun
220 / coupé / turbo / Carl / 08.15 - /for fun II.
LR D2 Td5 / '00 / Green Frog / 02.19 - /off
414 SI /04.12 - 09.13 / on se zase vrátí
75 2,0 V6 / sedan / '00 / Onnyyy /11.13 - /my car
420 SDi / sedan / '00 / Jane's /12.12 - /wife's & family
216 i / coupé / '98 / Luke /04.13 - /for fun
220 / coupé / turbo / Carl / 08.15 - /for fun II.
LR D2 Td5 / '00 / Green Frog / 02.19 - /off
414 SI /04.12 - 09.13 / on se zase vrátí
Re: ROVER 220 Coupe Turbo, 1995 koupeno !!
Tak s tím jsem nikdy nebojoval... ale určitě koukni na šoférův konektor.
Re: ROVER 220 Coupe Turbo, 1995 koupeno !!
Zapojení ovládání okna spolujezdce je jednoduché (oproti oknu řidiče). Když nepočítám pojistku a jelikož motor je funkční, pak přichází v úvahu pouze jeden nebo druhý přepínač a kabeláž vč. konektorů. Okno spolujezdce má svoji pojistku - tou začít. Okno řidiče má taky svoji pojistku. Kdyby nešlo i to, tak taky zkontrolovat, nebo pak relé oken - to je společné pro obě okna. Ale pokud to řidičovo chodí tak je relé v pořádku.
V druhém případě, jak nechodí okno u řidiče, bude to buď pojistka - to je ten lepší případ (po dlouhé době nečinnosti se třeba přilepilo sklo k těsnění, motor se netočí a zvýšený proud pak přepálí pojistku), případně opět přepínač nebo kabeláž. Nebo je problém v elektronice, která zde na rozdíl od strany spolujezdce je. To už by mohl být problém, protože tuším, že do toho nedestruktivní metodou není moc přístup. Pak asi nejlépe vyměnit kus za kus.
V druhém případě, jak nechodí okno u řidiče, bude to buď pojistka - to je ten lepší případ (po dlouhé době nečinnosti se třeba přilepilo sklo k těsnění, motor se netočí a zvýšený proud pak přepálí pojistku), případně opět přepínač nebo kabeláž. Nebo je problém v elektronice, která zde na rozdíl od strany spolujezdce je. To už by mohl být problém, protože tuším, že do toho nedestruktivní metodou není moc přístup. Pak asi nejlépe vyměnit kus za kus.
ROVER 75CDT, r.v. 2001, zelená HEW
ROVER 620SDi, r.v. 1995, šedý
ROVER 620SDi, r.v. 1998, zelený
ROVER 620SDi, r.v. 1997, modrý
OLTCIT CLUB 11R
ROVER 620SDi, r.v. 1995, šedý
ROVER 620SDi, r.v. 1998, zelený
ROVER 620SDi, r.v. 1997, modrý
OLTCIT CLUB 11R
Re: ROVER 220 Coupe Turbo, 1995 koupeno !!
A zase pod tim lezim, ruce zlamany v zapesti ...
Tentokrat jsem konecne nasel, kam se ta rok ztrati brzdovka. Nasel jsem ji vsechnu v posilovaci.
Nez jsem oddelal hlavni brzdovy valec, objednal jsem opravnou sadu. Tak jsem si rikal, bude to hned opraveny. Brzdovka v posilovaci me tedy nenapadla, ale kde jinde mela jit, kdyz pod autem je stale sucho...
A ted co s tim? Bude stacit to vycistit? Hlavni valec pretesnim, muselo to tect kolem pistu. Kolem tahla, co vede k pedalu byl jakoby rozsypany molitan, takova prachovka, co je uz vysypana. Pri stlaceni/povoleni si tudy jakoby odfoukne, nevim jestli to je spravne.
Nerad bych to za sveho zivota delal jeste jednou,.




Tentokrat jsem konecne nasel, kam se ta rok ztrati brzdovka. Nasel jsem ji vsechnu v posilovaci.
Nez jsem oddelal hlavni brzdovy valec, objednal jsem opravnou sadu. Tak jsem si rikal, bude to hned opraveny. Brzdovka v posilovaci me tedy nenapadla, ale kde jinde mela jit, kdyz pod autem je stale sucho...
A ted co s tim? Bude stacit to vycistit? Hlavni valec pretesnim, muselo to tect kolem pistu. Kolem tahla, co vede k pedalu byl jakoby rozsypany molitan, takova prachovka, co je uz vysypana. Pri stlaceni/povoleni si tudy jakoby odfoukne, nevim jestli to je spravne.
Nerad bych to za sveho zivota delal jeste jednou,.



Opel Astra F Caravan 1.6 / '96 /01.01 - /for work
75 2,0 V6 / sedan / '00 / Onnyyy /11.13 - /my car
420 SDi / sedan / '00 / Jane's /12.12 - /wife's & family
216 i / coupé / '98 / Luke /04.13 - /for fun
220 / coupé / turbo / Carl / 08.15 - /for fun II.
LR D2 Td5 / '00 / Green Frog / 02.19 - /off
414 SI /04.12 - 09.13 / on se zase vrátí
75 2,0 V6 / sedan / '00 / Onnyyy /11.13 - /my car
420 SDi / sedan / '00 / Jane's /12.12 - /wife's & family
216 i / coupé / '98 / Luke /04.13 - /for fun
220 / coupé / turbo / Carl / 08.15 - /for fun II.
LR D2 Td5 / '00 / Green Frog / 02.19 - /off
414 SI /04.12 - 09.13 / on se zase vrátí
Re: ROVER 220 Coupe Turbo, 1995 koupeno !!
Wooooooo....
..... buben stoprocentně vyhoď. Brzdovka je svintstvo a uvnitř bude všechno naleptané. Buben bude shodný se steršími RF a RT, možná i s těmi po 1999. Však koukni do ostatních, jestli je to stejné. Já doma asi jeden buben navíc mám, ale asi se mi ho nechce zbavovat.

Re: ROVER 220 Coupe Turbo, 1995 koupeno !!
Buben bude na RT jiný, ty mám ještě dva navíc. Je bachratější, tedy ještě to zkontroluju, ale téměř jistě ne.
Předpokládám, že tohle je ono. S ABS
https://rimmerbros.com/Item--i-SJG100280
Předpokládám, že tohle je ono. S ABS
https://rimmerbros.com/Item--i-SJG100280
Opel Astra F Caravan 1.6 / '96 /01.01 - /for work
75 2,0 V6 / sedan / '00 / Onnyyy /11.13 - /my car
420 SDi / sedan / '00 / Jane's /12.12 - /wife's & family
216 i / coupé / '98 / Luke /04.13 - /for fun
220 / coupé / turbo / Carl / 08.15 - /for fun II.
LR D2 Td5 / '00 / Green Frog / 02.19 - /off
414 SI /04.12 - 09.13 / on se zase vrátí
75 2,0 V6 / sedan / '00 / Onnyyy /11.13 - /my car
420 SDi / sedan / '00 / Jane's /12.12 - /wife's & family
216 i / coupé / '98 / Luke /04.13 - /for fun
220 / coupé / turbo / Carl / 08.15 - /for fun II.
LR D2 Td5 / '00 / Green Frog / 02.19 - /off
414 SI /04.12 - 09.13 / on se zase vrátí
Re: ROVER 220 Coupe Turbo, 1995 koupeno !!
No ale vypadá to, že RFo do roku 2000 to mělo shodné. Já mám buben myslim z VIčka, tak když ten tvůj změříš, tak to můžu srovnat. Ona tam myslím pak taky je různá rozteč na šteftech...11AA píše:Buben bude na RT jiný, ty mám ještě dva navíc. Je bachratější, tedy ještě to zkontroluju, ale téměř jistě ne.
Předpokládám, že tohle je ono. S ABS
https://rimmerbros.com/Item--i-SJG100280