se_kyho ZoRka
Re: se_kyho ZoRka
Od posledního příspěvku uběhlo více než dva roky. Co je nového? V podstatě nic. Auto je v provozu jen občas, většinou jezdím Mondeem. Větší část první poloviny roku 2023 bylo ZRko u Zakara...jednak z důvodu STK a také se měnili rozvody a jiné drobnosti. Co ale se stalo pak, v červnu, mi otrávilo další chuť se pouštět do větších akcí. Po jedné zastávce na pumpě auto už nenastartovalo. ba víc, ani se nerozsvítilo. Bál jsem se nejhoršího, ale asi po 15 minutách hledání problému auto naskočilo, byť tedy s velkým usilím. A do toho všeho po ujetí asi 500m zhasli všechny kontrolky, světla a ani blinkr nešel. Jen motor běžel. Tak tak jsem dojel zbývajících 8km domů. Mezi tím mě ještě stihli zastavit cajti a dali mi 500Kč pokuty za to, že nesvítím. Nedali si prostě vysvětlit, že mám poruchu a že o asi 400m dál bydlím. Holt pech. No a začalo hledání a špekulování, co se vlastně stalo. Po základním měření bylo jasno...baterka byla totálně vymlácená. Tak jsem to změřil...nedobíjel. Tak jsem přemýšlel...regulátor nebo celý altík? A jelikož regulátor stojí pár stovek, vsadil jsem na něj...hodinu mi trvalo ho vyměnit, ten přístup ke spodnímu šroubu bez toho aniž byste museli sundat celou přední masku a svody je příšerný. Ale povedlo se a - ufff, musel jsem si oddechnout - auto se nastartovalo a zdá se, že problém je vyřešen. Nicméně, vzhledem k nedostatku času a prostředků je teď spíše na okrasu parkoviště byť se s ním snažím občas vyjet alespoň na malou projížďku. Lakování také stále nedopadlo, protože prostě přes všechnu mou snahu a sliby mnohých není k dispozici prostor. Nezbývá mi tedy nic jiného, než zasažená místa alespoň obrousit a vykitovat a doufám jen, že nebude třeba nikde vyvařovat. Po sněžení před vánoci jsem ale po nastartování zjistil, že jeden z ventilátorů chladiče jede stále na full. Ještě nevím proč, ale při současném počasí se v tom nemůžu hrabat, umrzli by mi ruce. Horší je, že jsem chtěl o víkendu vyjet a i když startér točil, auto nechytlo. Přičítám to tomu, že jsou ty mrazy a navíc ten benzín tam už je jednak od října a navíc ho tam je dost málo, takže nejspíš prostě budu muset na pumpu s kanystrem, dolít a pak se uvidí. Pořád je to auto ale v lepším technickém stavu, než náš Rover 45, který je teď provozu neschopný....zpuchřelá druhá hadice chlazení a navíc jede jen na 3 válce asi a bliká kontrolka managementu (vada motoru). Takže diagnostika a na tu se teď hned tak nedostanu.
Re: se_kyho ZoRka
Je to boj a o to horší, když s takto starými auty parkuješ venku. S tím tě žádné světlé zítřky prostě nečekají, takže nelze přát nic jiného, než vydržet co nejdéle a snad bude brzy lépe 
Re: se_kyho ZoRka
Ono by to bylo snažší, ale do toho všeho přišlo dalších X problémů, které se auta netýkají a řešit vše naráz se prostě nedá. Samozřejmě zavžuji pro ZR garáž, ale to v současné chvíli není dost dobře možné. Budu doufat, že se nestane nic závažnějšího no. Ale rád bych alespoň jedno z aut dal dohromady natolik, abych letos mohl vyrazit alespoň na jeden sraz. Snad to vyjde.
Re: se_kyho ZoRka
Potřebuješ pomoc?
Rover 75 1.8L Turbo sedan 2004
Tento automobil byl: 72 453. ve výrobním pořadí, z celkového počtu 112 381 ks, 752. 1.8 T Connoisseur z celkového počtu 2 392 ks, 1 003. v barvě laku Odyssey Blue (kód: JGA) z celkového počtu 2 856 ks.
Alfa Romeo 147, 1.6 L Twinspark 105 KS
Tento automobil byl: 72 453. ve výrobním pořadí, z celkového počtu 112 381 ks, 752. 1.8 T Connoisseur z celkového počtu 2 392 ks, 1 003. v barvě laku Odyssey Blue (kód: JGA) z celkového počtu 2 856 ks.
Alfa Romeo 147, 1.6 L Twinspark 105 KS
Re: se_kyho ZoRka
Pomoc se hodí vždy, ale než ti budu volat, tak musím zjistit maximum informací o tom, co se tam vlastně děje.
Re: se_kyho ZoRka
Tak už jsem tu zas. Rover 45 stále stejné, ale aspoň nastartuje a jede. Mám teď objednané svíčky a cívky a po výměně se uvidí co dál, ale tam je ještě dost problémů, které se musí vyřešit. Největší legrace je ta, že jsem celou dobu sháněl hadice chladící kapaliny a když už jsem je téměř sehnal, zjistil jsem, že to co teče není hadice ale pitomej termostat
Takže teď mám doma termostat a čekám na ostatní díly. Pokud vyloučím všechny věci okolo zapalování a nepomůže to, bude na řadě diagnostika, protože víc už já se svými možnostmi nezjistím.
No a ZR? Tak to je vůbec podivná záhada. A právě tady by se mi hodila pomoc, rada nebo cokoliv. Proč ZR nestartuje jsem zjistil až na jaře. Je to prosté, po otočení klíčkem nejede palivová pumpa. Nechápu, že když jsem to nastartoval naposledy, což bylo v prosinci, tak auto ještě normálně běželo. A po měsíci stání už najednou ne. Takže jsem bádal. Někde jsem našel borca, který místo relé, které spouští pumpu dal prostě jen drátek na příslušné kontakty a pumpa jela. Tak jsem udělal totéž....a bingo, po otočení klíčkem pumpa jede, ale....jede nonstop samozřejmě. Nicméně auto naskočilo a přede jak kotě. Usoudil jsem tedy prvně, že je vadné relé. Vyměnil jsem ho a...nic. Pumpa stále mrtvá. Musí být tedy závada jinde. Relé funguje totiž očividně tak, že po otočení klíčem do něj přijde impuls (napětí), které sepne kontakty a tím se spustí pumpa. Natlakuje, vypne. A pak už jen nastartuje motor a spustí se pumpa a jede dokud motor běží. Problém je, že nemám absolutně šajn, na jakém základě vlastně to relé sepne. Čím je to řízené? ECU? Nebo prostě jen spínací skříňkou? Kde můžu změřit jestli do toho relé jde napětí? Existuje nějaké schéma zapojení palivové pumpy? Můžete mi prosím někdo pomoct? Díky
No a ZR? Tak to je vůbec podivná záhada. A právě tady by se mi hodila pomoc, rada nebo cokoliv. Proč ZR nestartuje jsem zjistil až na jaře. Je to prosté, po otočení klíčkem nejede palivová pumpa. Nechápu, že když jsem to nastartoval naposledy, což bylo v prosinci, tak auto ještě normálně běželo. A po měsíci stání už najednou ne. Takže jsem bádal. Někde jsem našel borca, který místo relé, které spouští pumpu dal prostě jen drátek na příslušné kontakty a pumpa jela. Tak jsem udělal totéž....a bingo, po otočení klíčkem pumpa jede, ale....jede nonstop samozřejmě. Nicméně auto naskočilo a přede jak kotě. Usoudil jsem tedy prvně, že je vadné relé. Vyměnil jsem ho a...nic. Pumpa stále mrtvá. Musí být tedy závada jinde. Relé funguje totiž očividně tak, že po otočení klíčem do něj přijde impuls (napětí), které sepne kontakty a tím se spustí pumpa. Natlakuje, vypne. A pak už jen nastartuje motor a spustí se pumpa a jede dokud motor běží. Problém je, že nemám absolutně šajn, na jakém základě vlastně to relé sepne. Čím je to řízené? ECU? Nebo prostě jen spínací skříňkou? Kde můžu změřit jestli do toho relé jde napětí? Existuje nějaké schéma zapojení palivové pumpy? Můžete mi prosím někdo pomoct? Díky
Re: se_kyho ZoRka
Ahoj ahoj,
tu máš obrázek schématu.....
Jinak takto pozdě jen letmo. Čerpadlo se samo spíná podle tlaku. Takže relé řeší jen to, jestli čerpadlo má šťávu, nebo ne, ale to, kdy se sepne, si pak řídí samo.
No jinak měřit a měřit.. podle schématu je jasné kde a co.... než to jde k čerpadlu, tak to jsou dvě relé v kaskádě a dva sidnály z ECU, které musí sepnout. Takže ty změřit. jestli opravdu spínají...
tu máš obrázek schématu.....
Jinak takto pozdě jen letmo. Čerpadlo se samo spíná podle tlaku. Takže relé řeší jen to, jestli čerpadlo má šťávu, nebo ne, ale to, kdy se sepne, si pak řídí samo.
No jinak měřit a měřit.. podle schématu je jasné kde a co.... než to jde k čerpadlu, tak to jsou dvě relé v kaskádě a dva sidnály z ECU, které musí sepnout. Takže ty změřit. jestli opravdu spínají...
Re: se_kyho ZoRka
Děkuji za schéma, to jsem potřeboval přesně. A pokud ho tedy správně chápu, je tam po cestě od pumpy zemění, pak pumpa, pak je to žluté relé v boxu k jehož sepnutí je zapotřebí přívod z + od baterie, které jde přes tzv. cut off fuel switch, který je umístěn tuším někde pod palubkou u řidiče. Ty dva signály, které jdou z ECM (to je ta jednotka vedle baterie?) do jednak relé čerpadla i relé engine management. Dle schématu tedy jde 12V do relé R103 stálé, pokud je sepnuté relé S206. A to patrně jde, protože když nahradím kontakty relé R103 vodičem a sepnu je tím pádem natvrdo, tak čerpadlo běží. To by tedy znamenalo, že relé není sepnuto signálem z ECM. Jenže, ECM musí nejdříve sepnout relé F191 aby bylo možno aktivovat signál do relé R103. Takže mi z toho vychází, že buď ECM nefunguje (resp. neposílá signály) nebo je někde vada v kabeláži a signál do jednoho z těch relé nedojde. Jak ale tento signál změřit? Je to nějaké napětí? Nebo jen puls? Stačí měřák nebo potřebuji osciloskop? A pak mě tedy ještě napadá otázka, z jakých snímačů (a případně kde je umístěn) dostává EMC info, že může spustit čerpadlo? Jaký je to snímač?Trunda píše: ↑čtv črc 18, 2024 0:27Ahoj ahoj,
tu máš obrázek schématu.....
Jinak takto pozdě jen letmo. Čerpadlo se samo spíná podle tlaku. Takže relé řeší jen to, jestli čerpadlo má šťávu, nebo ne, ale to, kdy se sepne, si pak řídí samo.
No jinak měřit a měřit.. podle schématu je jasné kde a co.... než to jde k čerpadlu, tak to jsou dvě relé v kaskádě a dva sidnály z ECU, které musí sepnout. Takže ty změřit. jestli opravdu spínají...
Re: se_kyho ZoRka
Normálně voltmetrem. Spínací napětí relé je 12V a spíná to 12V, takže žádnou vědu v tom nehledej a prostě měř tu cestu logicky tak, jak ji čteš a dojdi do místa, kde to nedělá co by mělo. Jinak relé jsou spínané vůči kostře, takže vyndat relé a měřit oběma sondama na spínacích nožkách. Cut Off spínač je na stěně pod kapotou, ale ten odpojuje napětí, které to relé pouští k čerpadlu, takže na něho to nevypadá. Takže obměř ta dvě relé. Jinak teď si nejsem jistý, jestli imobilizer blokuje čerpadlo, což si ale nemyslím, protože to nedělá to, že bych někdy slyšel, že by se čerpadlo spustilo pro natlakování po té, co deaktivuju imobilizér. Ten bude blokovat startér a zapalování.
Jinak určitě se hodí vypojit konektory na ECU, stříknout nějakým olejem vhodným na kontakty a několikrát zapojit a rozpojit. Samozřejmě jednoduchá možnost je pak proměřit pípákem (diodovým testem) tu ty dva drátky od konektoru k relé....
Hele.... tohle zvládneš
Takovéhle zapojovačky relátek a drátků si dělal v osmé třídě na základce 
Jinak určitě se hodí vypojit konektory na ECU, stříknout nějakým olejem vhodným na kontakty a několikrát zapojit a rozpojit. Samozřejmě jednoduchá možnost je pak proměřit pípákem (diodovým testem) tu ty dva drátky od konektoru k relé....
Hele.... tohle zvládneš
Re: se_kyho ZoRka
Takže, staronové info. Hrátky se schématem se tak nějak udály hned po posledním statusu. Auto jede. A kde byl problém? Upřímně? Netuším
Zkrátka jsem měřil všechno možné a všude bylo napětí správné, včetně relé. Tak jsem prostě jen to relé nahradil oním slavným drátem a nechal auto běžet cca 10 minut, jen jsem popojel pár metrů a přeparkoval na vhodnější místo. Pak jsem ještě natlakoval pneu, které byly mírně podhuštěné 12V kompresorem. To vše za běhu motoru. No a pak jsem to vzdal. Drát jsem vytáhl, nasadil relé zpět a chtěl jít domů. Má dráhá manželka ale trvala na tom, že to ještě jednou zkusíme. A ejhle, ono to najednou šlo. Od té doby auto běží a to s ním jezdím v podstatě pravidelně. Což byla nutnost, protože 45ka, byť se mi ji povedlo zprovoznit (vadná cívka a jedna svíčka, vše vyměněno za nové svíčky a obě cívky, přes OBD II smazán protokol chyb a vše běželo jak mělo). Jenže, byla potřeba STK, která končila v červnu. A bohužel, auto neprošlo. Důvody jsou celkem irelevantní (asi největší problém byl shnilá část spodku na obou strnách vpředu), nicméně se to dávalo 2 týdny do kupy a teprve tuto sobotu jsem jel na opakovanou, kterou mi už schválili. To ale není to podstatné.
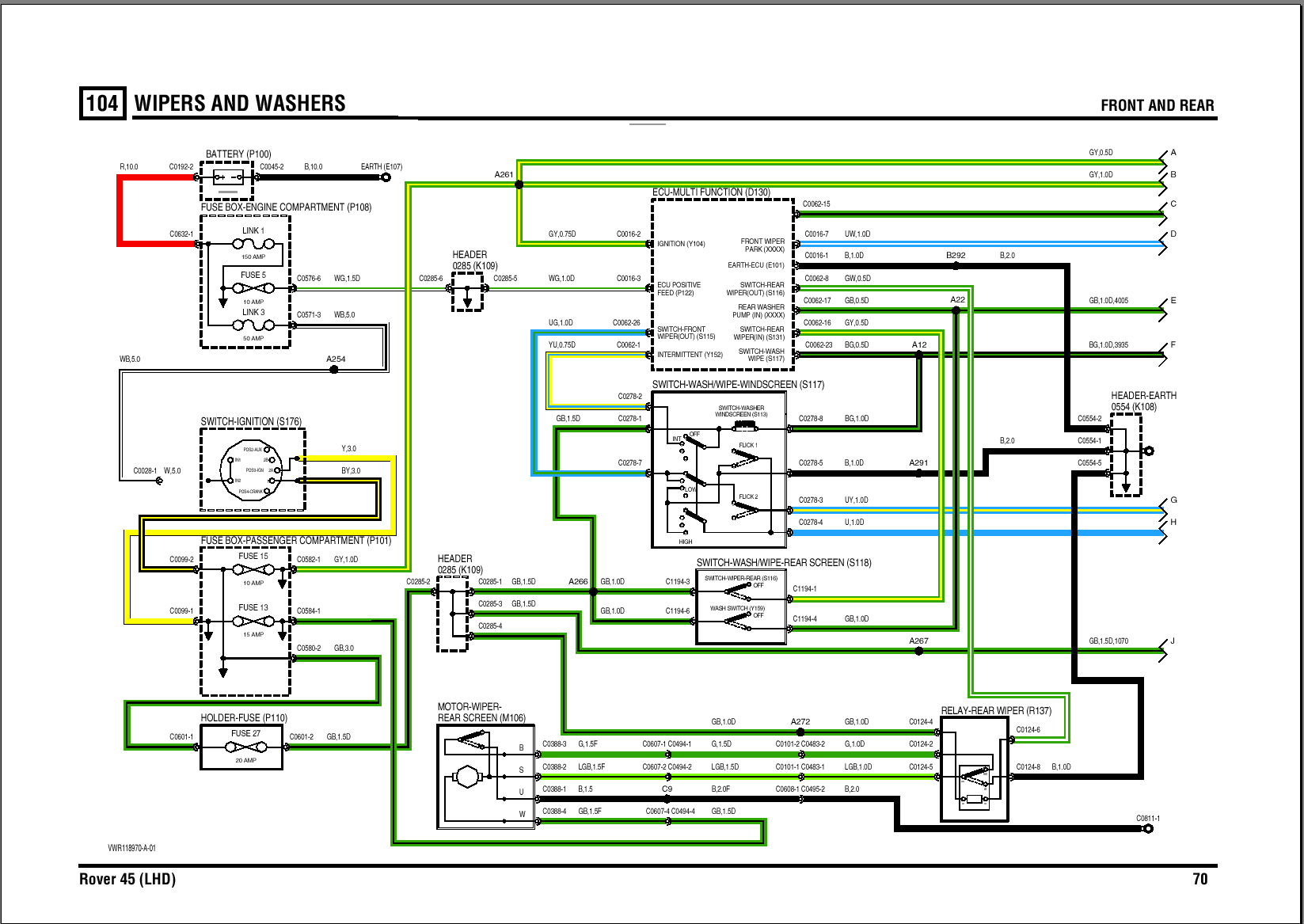
Potřebuji znovu radu a pokud možno schéma. Jak, čím nebo na jakém základě se u Roveru 45 spínají stěrače? Spíná to jedno relé nebo více? Jde totiž o to, že stěrače mi fungují na impuls (páčka dolů) a nebo na nejvyšší rychlost. Cyklovač a stálé stírání nefunguje. Když otočím voličem, slyším dvojí cvaknutí, které jde rychle po sobě, ale stěrač se nerozběhne. Takže? Samozřejmě jsem se to snažil studovat, ale na nic zvláštního jsem nepřišel a nebo jsem to prostě nepochopil, protože v ČJ to nikde nenajdu a na anglických fórech je to od každého popsané jinak a zdá se, že předfacelift to má úplně jinak než pofacelift. Má někdo nějakou radu nebo nápad?
Potřebuji znovu radu a pokud možno schéma. Jak, čím nebo na jakém základě se u Roveru 45 spínají stěrače? Spíná to jedno relé nebo více? Jde totiž o to, že stěrače mi fungují na impuls (páčka dolů) a nebo na nejvyšší rychlost. Cyklovač a stálé stírání nefunguje. Když otočím voličem, slyším dvojí cvaknutí, které jde rychle po sobě, ale stěrač se nerozběhne. Takže? Samozřejmě jsem se to snažil studovat, ale na nic zvláštního jsem nepřišel a nebo jsem to prostě nepochopil, protože v ČJ to nikde nenajdu a na anglických fórech je to od každého popsané jinak a zdá se, že předfacelift to má úplně jinak než pofacelift. Má někdo nějakou radu nebo nápad?
Re: se_kyho ZoRka
Schéma a měřit a měřit 
Re: se_kyho ZoRka
Děkuju ti za schéma, ale to je na ZR a já ten problém mám u R45. A tam je to tuším trochu jinak ne?
Re: se_kyho ZoRka
Tož nevím, jestli můžu porušit pravidla a dávat schémata R45 do tématu o ZRu 
Re: se_kyho ZoRka
Můžeš....když to nutně potřebuju já, tak můžeš všechno...Ondra promine 
Když tak na to koukám...nic složitějšího vymyslet nemohli?
Ale děkuju...nejdřív to nastuduju, prostuduju...a pak se možná ještě budu ptát
Když tak na to koukám...nic složitějšího vymyslet nemohli?
Ale děkuju...nejdřív to nastuduju, prostuduju...a pak se možná ještě budu ptát
Re: se_kyho ZoRka
No, ale nevím moc co by tam mělo být špatně, než zaoxidované/špatné kontakty, nebo špatný samotný motor, respektive polohové kartáčky, které uvnitř z nějakého důvodu ztratily kontakt (nateklo dovnitř, oxidace, mechanické poškození). Zkusil bych kontakty a pak asi rovnou sháněl náhradní motor, protože on sice rozebrat jde, ale pak v něm páchat nějakou repasi už je dost punk (když jsem byl ještě mladej, tak jsem do toho šel
)



